od tom666 » 01.10.2018 13:11
pepiho píše:... nějak tomu nemůžu přijít na kloub. ...
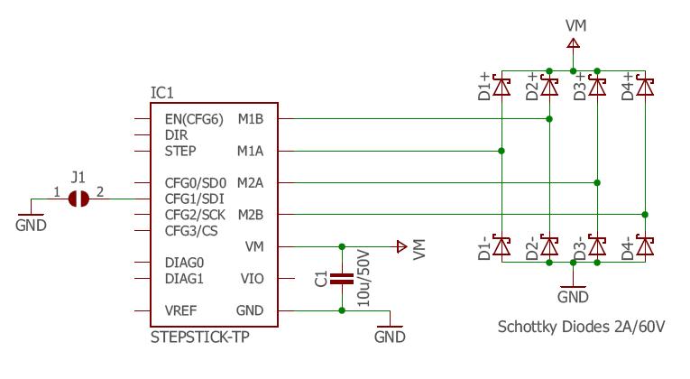
https://cabristor.blogspot.com/2015/02/drv8825-missing-steps.htmlSkor by som to nazval modulom zabezpecujucim ochranu vystupov drivera (vid. prilozena schema).

- StepStick-Protector_Schematic.jpg (31.8 KiB) Zobrazeno 10259 krát
-
tom666
-
- Příspěvky: 561
- Images: 0
- Registrován: 14.09.2016 17:00
- Bydliště: Nitra (SK)
- Reputation: 14

-
od sigterm » 01.10.2018 14:14
důvod, proč to funguje, je rozepsaný zde, je nutné to přeložit z corporate language (ostatní, špatné drivery, to možná uvítají, ale my to máme děsně v pohodě).
http://blog.trinamic.com/2018/08/16/tl- ... ake-sense/ samozřejmě to ten problém nevyřeší celý.
-
sigterm
-
- Příspěvky: 10
- Registrován: 12.09.2018 17:41
- Reputation: 0
od sigterm » 01.10.2018 14:16
medapeta píše:Nikde není zmíněna tvrdost zdroje, zkuste vyměnit lacinou čínu za pořádný zdroj který nekolísá.
Další co tu není zmíněno je diodový filtr, viz
https://www.easyduino.cz/Adapter-pro-oc ... -d758.htm#Kombinace obojího eliminuje popsaný problém i bez slohového cvičení.
takže ty máš vyzkoušeno, že na 24V, 8bit, s direct extruderem, e3d v6 s PTFE trubičkou až ke podávacímu kolečku, se nějaký driver s diodovým filtrem, podpořen pochopitelně mocným a kvalitním zdrojem, chová tak, že moiré zmizí?
-
sigterm
-
- Příspěvky: 10
- Registrován: 12.09.2018 17:41
- Reputation: 0
od medapeta » 01.10.2018 16:12
Nic jako moiré se mi neděje na tiskárně kde mám 24V 650W TDK Lambda a ona zmíněná udělátka pod DRV8825 na osách XY. Na extruderu levný A4988.
Drivery jsou na osách nastaveny na 32 mikrokroků a na extruderu na 16. Direct extruder je podpořen čínským jakože E3D hotendem s teflonovou trubičkou až k podávacímu kolečku. Tiskárna má na Z motory s integrovaným trapézem, všude 10mm tyče a kluzná pouzdra Igus. Elektronika je MKS Base L.
Mínusové body mému profilu zde udělil výhradně uživatel tom666, který se na foru již nevyskytuje.
Měl zřejmě pocit, že pravda se tu psát nesmí...
-
medapeta
-
- Příspěvky: 1617
- Images: 57
- Registrován: 31.05.2016 22:14
- Bydliště: Brdy
- Reputation: 0
od sigterm » 01.10.2018 23:12
mohu se zeptat na konkrétní motor použitý na extruderu, a podávací kolečko? je extruder zpřevodovaný? a nastavení vref na A4988? máš na A4988 ROSC připájeno k GND?
ten e3d je allmetal, nebo PTFE až k nozzle? díky.
moiré mám na mysli to diagonální, a u cartesianu (i3) __odmítám__ připustit, že by mohlo jakkoli souviset s osou X a Y (u kostičky, kde se při tisku stěny vždy pohybuje jen osa X nebo Y, navíc diagonální moiré reaguje na změnu flowrate, takže udělátka XY jsou myslím naprosto ze hry) Další jevy, které samozřejmě třeba řešit potom, jsou svislé vlnky (ty mohou být právě dané absencí tl-smootheru na osách X a Y nebo rezonancí řemenů).
-
sigterm
-
- Příspěvky: 10
- Registrován: 12.09.2018 17:41
- Reputation: 0
od medapeta » 02.10.2018 05:13
Konkrétně je to Microcon SX17-1005LQCEF. Hotend je čína, takže teflon až k trysce, samozřejmě vyměněný tak aby šel až k zubatici nezpřevodovaného direct extruderu. Zubatice tahle:
http://obchod.rebelove.org/mechanicke-d ... a-cnc.html. Drivery všechny bez úprav a s napětím tak aby to tahalo ale nehřálo. Teď jsem koukal, že udělátko je i na obou driverech na Z, takže všude krom extruderu. Na Z mám každý motor na extra driveru.
Mínusové body mému profilu zde udělil výhradně uživatel tom666, který se na foru již nevyskytuje.
Měl zřejmě pocit, že pravda se tu psát nesmí...
-
medapeta
-
- Příspěvky: 1617
- Images: 57
- Registrován: 31.05.2016 22:14
- Bydliště: Brdy
- Reputation: 0
od sigterm » 02.10.2018 18:16
díky, tento setup jsem měl také. a diagonální moiré tam bylo slaboučké, velmi špatně viditelné, troufnu si říct, ze bych ho u tebe našel také. rozdíl přisuzuji nepřesné cestě filamentu která pramení z toho PTFE hotendu. asi to souvisí s tím, že u PTFE se uvádí doporučená retrakce 1.5mm, zatímco u allmetal 0.8 i méně.
přiznám se, že pokud bys ještě vědět VREF na tom A4988 na ose E, zajímal by mne.
-
sigterm
-
- Příspěvky: 10
- Registrován: 12.09.2018 17:41
- Reputation: 0
od sigterm » 05.10.2018 23:56
super, dopadl jsem právě tak, že jsem dal na radu, že čínské drivery jsou shit, a koupil jsem za 30€ dva watterott, jeden tmc2100 a jeden tmc2130. po přepnutí do spreadCycle píská onen TMC2100 úplně stejně jak ten čínský.
-
sigterm
-
- Příspěvky: 10
- Registrován: 12.09.2018 17:41
- Reputation: 0
od medapeta » 06.10.2018 07:15
Nespletl sis vlákno ?
Mínusové body mému profilu zde udělil výhradně uživatel tom666, který se na foru již nevyskytuje.
Měl zřejmě pocit, že pravda se tu psát nesmí...
-
medapeta
-
- Příspěvky: 1617
- Images: 57
- Registrován: 31.05.2016 22:14
- Bydliště: Brdy
- Reputation: 0
od Georrge » 07.10.2018 09:34
sigterm píše:super, dopadl jsem právě tak, že jsem dal na radu, že čínské drivery jsou shit, a koupil jsem za 30€ dva watterott, jeden tmc2100 a jeden tmc2130. po přepnutí do spreadCycle píská onen TMC2100 úplně stejně jak ten čínský.
Jestli jsi vycházel z rad, které se týkaly driverů TMC2208 v silentchop2, tak proč jsi kupoval TMC2100 a TMC2130 a provozuješ je v spreadcycle? Vždyť to je úplně něco jiného.
-
Georrge
-
- Příspěvky: 179
- Registrován: 22.05.2017 18:39
- Bydliště: Opava
- Reputation: 0
od sigterm » 08.10.2018 21:24
ne, stealthchop nikdo neřeší. já řeším spreadCycle. stealthchop píská jen po špatně provedené kalibraci.
-
sigterm
-
- Příspěvky: 10
- Registrován: 12.09.2018 17:41
- Reputation: 0
od Georrge » 08.10.2018 21:39
Ok. Já tu o watterott driverech psal, tak se ujišťuji jestli ses řídil mou radou, nebo radou někoho jiného. Ale já o spreadcycle a TMC2100 nic nepsal, takže já jsem z obliga

-
Georrge
-
- Příspěvky: 179
- Registrován: 22.05.2017 18:39
- Bydliště: Opava
- Reputation: 0
Zpět na ELEKTRONIKA
Kdo je online
Uživatelé procházející toto fórum: Žádní registrovaní uživatelé a 9 návštevníků