od tom666 » 19.07.2017 18:34
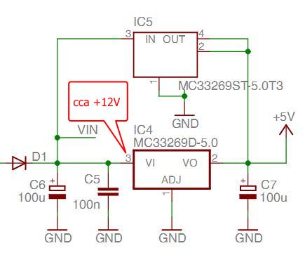
Kedargo36 píše:... na pinoch voltage regulátora na arduine som nameral medzi pinom 1 a 2 "4.53V" a medzi pinom 1 a 3 "3.72V" pričom 1 je GND ...
Nieco je zle, alebo si len zle meral, pretoze pin 3 je vstup a pin 2 je vystup. Tzn., ze na vstupe +5V LDO musi byt napatie 12V znizene o ubytok napatia na D1

- Přílohy
-

- 5V LDO.jpg (19.54 KiB) Zobrazeno 11309 krát
-
tom666
-
- Příspěvky: 561
- Images: 0
- Registrován: 14.09.2016 17:00
- Bydliště: Nitra (SK)
- Reputation: 14

-
od Kedargo36 » 21.07.2017 12:41
No takže dneska mi prišlo nové arduino všetko som prepojil, nahral firmware, zapol a displej zase svietil tak ako má. takže to bolo predsa len v tom regulátore na arduine.
-
Kedargo36
-
- Příspěvky: 11
- Registrován: 13.10.2016 14:06
- Reputation: 0
od zemciko » 21.07.2017 14:04
Njn. od té té doby co se arduino 2560 dá sehnat u žlutého bratra pod 8$ tak to nemá smysl dávat ani opravovat (pokud to nezvládnu sám). Mám pr jistotu vždy v regále 2 rezervní a je.
-
zemciko
-
- Příspěvky: 1499
- Images: 9
- Registrován: 09.05.2015 13:43
- Reputation: 0
od Kedargo36 » 22.07.2017 13:29
Takže po výmene arduina som narazil na ďalší problém všetko vyzerá že funguje tak ako má až dokedy sa nezačne tlač a netrvá tak cca 2min. po tejto dobe začnú motory cca každých 10s preskakovať ovládaný ofuk s fw sa prestane točiť na tú dobu kým motory preskakujú a po asi 5s to zase ide 10s len s tým že celá vrstva je už úplne posunutá. Vyskúšal som chladiť elektroniku, a to nepomohlo. Ventilátory chladenia sú napájané priamo zo zdroja a tie nekolísajú, z toho usudzujem že chyba bude možno v ramps alebo som niekde zle nastavil firmware.
- Přílohy
-

-

-
Kedargo36
-
- Příspěvky: 11
- Registrován: 13.10.2016 14:06
- Reputation: 0
od tom666 » 22.07.2017 14:21
Uz som ti naznacil mozny problem s PTC poistkou, tak nebud tak dvrdohlavy a uprav si konecne RAMPS

-
tom666
-
- Příspěvky: 561
- Images: 0
- Registrován: 14.09.2016 17:00
- Bydliště: Nitra (SK)
- Reputation: 14

-
od Kedargo36 » 22.07.2017 15:09
tak teda vyskúšam to ramps a uvidím

-
Kedargo36
-
- Příspěvky: 11
- Registrován: 13.10.2016 14:06
- Reputation: 0
od medapeta » 22.07.2017 17:03
Co to proboha je kolem toho rampsu ? Není třeba to vůbec chladit když to není zakrytované a ty tam máš dvacet větráků ? To je něco fatálně špatně, zkus nějaký návod s postupem...
Mínusové body mému profilu zde udělil výhradně uživatel tom666, který se na foru již nevyskytuje.
Měl zřejmě pocit, že pravda se tu psát nesmí...
-
medapeta
-
- Příspěvky: 1617
- Images: 57
- Registrován: 31.05.2016 22:14
- Bydliště: Brdy
- Reputation: 0
od zemciko » 22.07.2017 22:08
No já mám na plechovém krytu jeden 40mm/12v větráček jen pro zichr. Tenhle hrozen větráků co se navzájem přetlačují to je co?
-
zemciko
-
- Příspěvky: 1499
- Images: 9
- Registrován: 09.05.2015 13:43
- Reputation: 0
od Kedargo36 » 27.07.2017 15:22
To vetranie funguje bez problémov a elektronika je na bode mrazu, no a vypadávanie bolo spôsobované firmwarom. ramps bolo 100% v poriadku.
-
Kedargo36
-
- Příspěvky: 11
- Registrován: 13.10.2016 14:06
- Reputation: 0
od tom666 » 27.07.2017 17:05
@Kedargo36
Po uprave RAMPSu mozes ten strapec ventilatorov vyhodit

-
tom666
-
- Příspěvky: 561
- Images: 0
- Registrován: 14.09.2016 17:00
- Bydliště: Nitra (SK)
- Reputation: 14

-
Zpět na REBEL II
Kdo je online
Uživatelé procházející toto fórum: Žádní registrovaní uživatelé a 18 návštevníků