Iosif Stalin - 1

Před založením nového vlákna se zamyslete, jestli skutečně není kam zařadit a ušetřte tím adminům práci se zbytečným dodatečným tříděním fóra. Děkuji za pochopení. Klidně zde diskutujte o "pikačovinách", OT nebudou řešeny. Tedy stručně řečeno "HNOJNÍK PATŘÍ SEM" :D

Re: Iosif Stalin - 1

Příspěvekod Klaudius » 17.08.2020 09:09

Palce hore, parádna práca. Začínam mať pokušenie...
  • 0

Klaudius
 
Příspěvky: 177
Registrován: 15.02.2016 12:15
Bydliště: Bratislava - okolie
Reputation: 5
Jen tak dál :)

Re: Iosif Stalin - 1

Příspěvekod lubosh » 19.08.2020 12:26

Přidal jsem na stránky sekci "Novinky".
Ať se ví, co se děje nového...

https://3dtisk-rc-modely.webnode.cz/
  • 0

lubosh
 
Příspěvky: 1101
Registrován: 19.11.2014 16:42
Bydliště: Praha 10
Reputation: 12
Jen tak dál :)

Re: Iosif Stalin - 1

Příspěvekod tomasber » 24.08.2020 08:56

Luboši prosímtě, na stránkách píšeš: "Přidána složka sound s návodem na zvukový modul s procesorem Picaxe." Mohl bys mě naměrovat, kde ho najdu? Nevím co myslíš "složkou", v postahovaných návodech nevidím. Díky
  • 0

tomasber
 
Příspěvky: 32
Registrován: 21.02.2019 06:34
Bydliště: Trutnov
Reputation: 0

Re: Iosif Stalin - 1

Příspěvekod lubosh » 24.08.2020 10:35

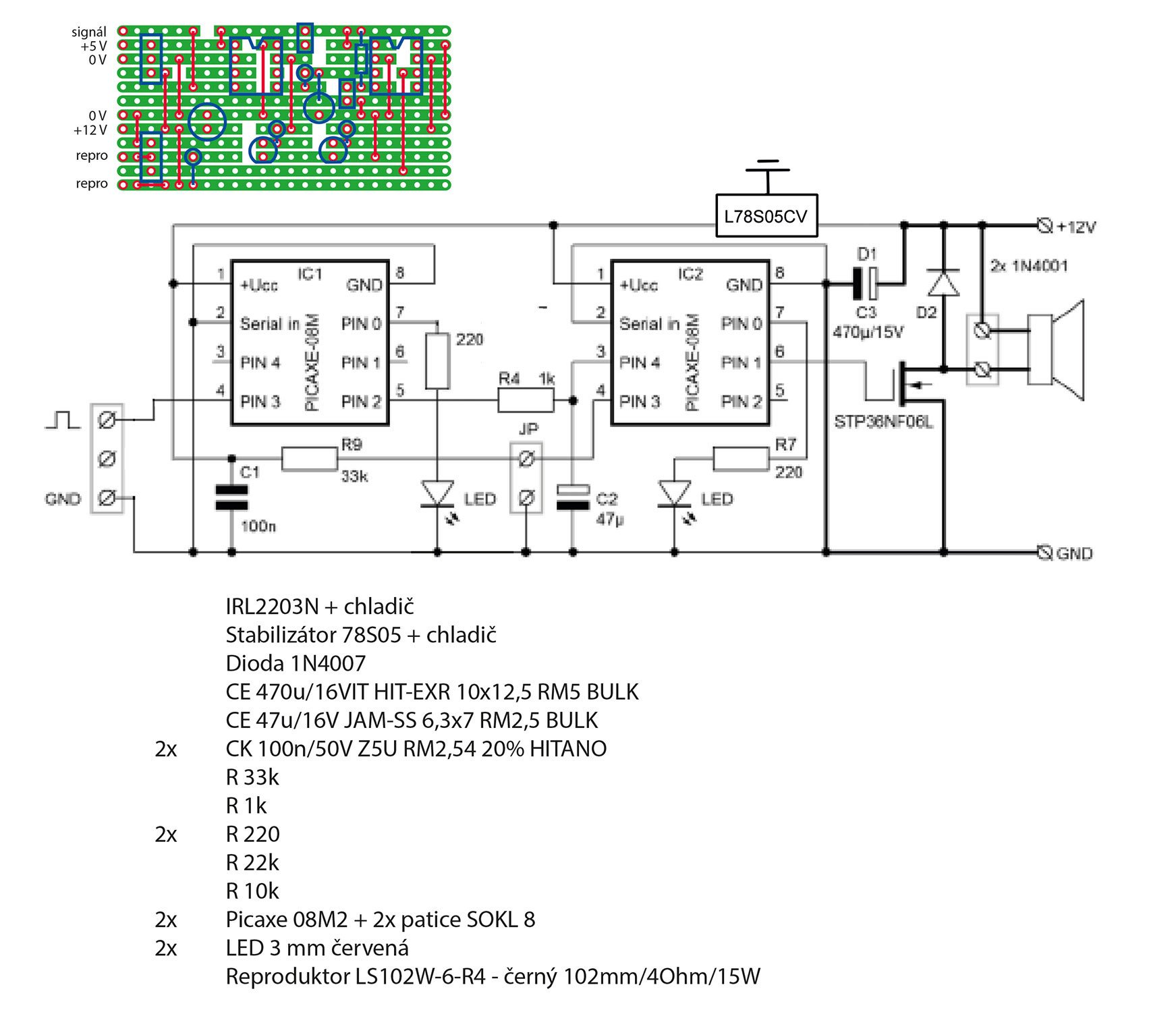
Složka souborů "Sound" se nachází v odkaze, který posílám všem, kdo si STL tanku zakoupili.
Nejsem autorem zvukového modulu, jen jsem provedl pár úprav ve schématu a v programu ptro Picaxe (08M2).

sound-generator-with-stabiliser.jpg
  • 0

lubosh
 
Příspěvky: 1101
Registrován: 19.11.2014 16:42
Bydliště: Praha 10
Reputation: 12
Jen tak dál :)

Re: Iosif Stalin - 1

Příspěvekod tomasber » 24.08.2020 10:53

Dík za vysvětlení. Až přijdu na to, kam bych takovou 70cm krásnou obludu doma umístil tak, aby mě manželka nevyhodila i s ní, dojde i na zakoupení.... :-) Myslel jsem, že bych zatím zkusil zvukmodul do aut od 3dsets. Pohledám.
  • 0

tomasber
 
Příspěvky: 32
Registrován: 21.02.2019 06:34
Bydliště: Trutnov
Reputation: 0

Předchozí

Zpět na Co se nikam jednoznačně nehodí :)

Kdo je online

Uživatelé procházející toto fórum: Žádní registrovaní uživatelé a 6 návštevníků