Fysetc S6 + Bigtreetech TMC2208 V3.0 UART + Full Graphic ..

Fysetc S6 + Bigtreetech TMC2208 V3.0 UART + Full Graphic ..

Příspěvekod Pepe_Lopez » 09.05.2021 20:03

Zdravím. Nekamenujte mne, ale toto fakt není moje parketa.
Pořídil jsem tuto desku a drivery s tím, že přejdu na Rebelu na 24V. Zatím jedu Mega +Ramps. Bohužel mi asi asi odešel jeden z driverů, takže jsem si řekl, že tam zatím dám ten Fysetc S6 na 12V než mi dorazí zbytky 24V výbavy.
Dan má na Google disku nějaký firmware pro tuhle desku včetně konfigurace pro BLTouch, což by asi mohlo být ono nebo základ na rekonfiguraci. Ale ...
1. problém: Jak na tu desku nahrát ten firmware.
Nainstaloval jsem VS Code a do něj Platformio ... a tady jsem skončil. Ta instalace vykazuje nějakou chybu. právě v instalaci toho Platformia. Je to asi známá chyba, jenže ani jedno z řešení, jak to opravit mi nefunguje. Navíc mi to hází i druhou chybu PIO Home server. Já to v tý angličtině prostě nedávám a přes překladač je to úplně zmatený. Alespoň pro mne. Existuje způsob jak to tam dostat nějak jinak.
2. problém: Vůbec netuším jak to pak zkompilovat a nahrát na tu desku,
3. problém: Nikde jsem nenašel zapojení. Motory jsou jasný, předpokládám zapojení oba motory Z na jeden driver. End stopy X a Y ty snad taky, BL Touch signál je na Z endstopu, ale kam patří napájení jsem neobjevil.

Poradí někdo , aby neotravoval jen Dana? Děkuji.
Pravděpodobně by to pomohlo nejen mně.
  • 0

Rebel II LE (Lopez Edition = kříženec v33 a II.b + tuning) (Marlin) - domácí, Rebel II v27 - ex.
1x Rebel II JRC HD (Marlin) - pracovní, 3x 3DS Cube 3 - pracovní, 1x 3DS CubePro Duo - pracovní
Pepe_Lopez
 
Příspěvky: 240
Registrován: 25.05.2014 23:07
Bydliště: kousek od Žatce
Reputation: 0

Re: Fysetc S6 + Bigtreetech TMC2208 V3.0 UART + Full Graphic

Příspěvekod lachtan86 » 09.05.2021 21:14

0. Mrkni na Wiki je to v základu pěkně vše popsány
https://wiki.fysetc.com/FYSETC_S6/
1. Kompilaci provedeš ve VS Code, v platformio.ini uprav default_envs = FYSETC_S6. Dále správně nastavený konfiguráky. Fajfkou dole pustíš kompilaci a hotovej firmware.bin bude ve složce build.
2. Firmware nahrát lze pak přes napřímo připojenou SD kartu k desce nebo defaultně přes STM32 CUBE PROGRAMMER.
3. BL touch jako vše je popsán jak zapojit na Wiki!
  • 0

lachtan86
 
Příspěvky: 51
Registrován: 27.03.2016 23:46
Bydliště: Hradec Králové
Reputation: 0

Re: Fysetc S6 + Bigtreetech TMC2208 V3.0 UART + Full Graphic

Příspěvekod Pepe_Lopez » 09.05.2021 21:38

Pěkně popsáno - bohužel v angličtině. V mám věku se už anglicky nenaučím a ani to nestihnu :(
Ok, BL Touch jsem objevil. Já tu angličtinu nepřelouskám, potřebuju buď českej návod nebo aspoň obrázky :(

Ale mě to platformio nejede, takže nemám čím a jak to zkompilovat.

STM32 CUBE PROGRAMMER - z toho ale nejsem vůbec moudrej. tam to chce nahrát ten soubor v binárce, ale jak udělám z Marlinu bin soubor netuším ani zbla.
Zlatý arduino IDE, ale tam je jen F6. To platformio je pro mě španělská vesnice. ani pořádně nechápu co to tam je za chyby. Já v tom VS Code to Platformio ani nemám, začne se instalovat po spuštění a skončí to chybou:
https://github.com/platformio/platformio-core-installer/issues/221
Udělal jsem všechny 4 řešení co tam popisují (pevně doufám, že správně) a nic
a vzápětí to končí tímto a tam už vůbec nevím co s tím.
https://github.com/platformio/platformio-vscode-ide/issues/205
  • 0

Rebel II LE (Lopez Edition = kříženec v33 a II.b + tuning) (Marlin) - domácí, Rebel II v27 - ex.
1x Rebel II JRC HD (Marlin) - pracovní, 3x 3DS Cube 3 - pracovní, 1x 3DS CubePro Duo - pracovní
Pepe_Lopez
 
Příspěvky: 240
Registrován: 25.05.2014 23:07
Bydliště: kousek od Žatce
Reputation: 0

Re: Fysetc S6 + Bigtreetech TMC2208 V3.0 UART + Full Graphic

Příspěvekod lsl » 10.05.2021 10:38

Sice to není přímo k tématu, ale zde: https://www.deepl.com je perfektní překladač z angličtiny, který z toho zmatený pravděpodobně nebude.

LS.
  • 0

lsl
 
Příspěvky: 73
Registrován: 15.11.2013 21:34
Reputation: 0

Re: Fysetc S6 + Bigtreetech TMC2208 V3.0 UART + Full Graphic

Příspěvekod Pepe_Lopez » 10.05.2021 17:41

Ano jsem otravný a vím to o sobě :oops:
Nikdy bych tomu nevěřil, ale vyhrabal jsem ze dne šuplíku vrak starého ntb, s vylopanou klávesnicí a prasklým displejem, na který jsem kdysi zkusmo nainstaloval W10 a voalá ... VS Code a Platformio na tom jedou na první dobrou. (Nechápu proč na desktopu s i7, 32GB Ram, SSD a GeForce 1070 Ti s úplně novou instalací W10 to nejede a na starém Celeronu s 2GB Ram a sdílenou grafikou jo)
Tohle bude asi otázka spíš na Dana.
Konektorů na motory je 7, slotů na drivery je 6. Koukám na konfiguraci, kterou má Dan zde:
https://drive.google.com/drive/folders/1V17HBYbazWoLfPEQwt26X6pLtGfIcNT_?usp=sharing
RII_Marlin_2.0.7.2_FYSETC_S6_BLT_BFX
- podle Configuration.h je tam 5 driverů, do kterých patic dát drivery a kam motory. Nebo dám jen 4 drivery a 5 motorů a pojede to jako na Rampsu?
- koncáky X a Y asi chápu, BL Touch je na Wiki
- předpokládám, že hotend je E0
- netuším kam zapojit Runout switch
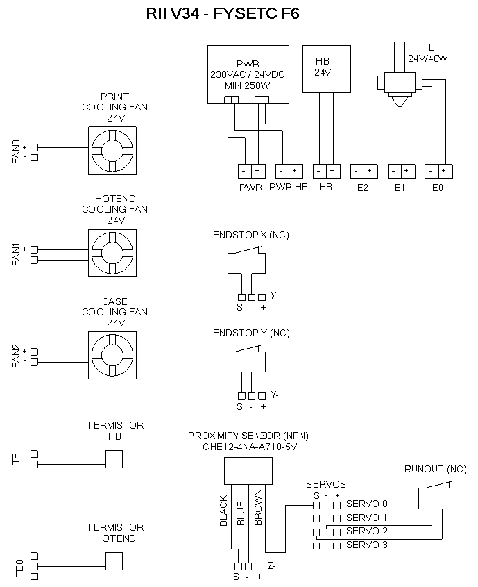
Nejvíc by se mi hodilo a nejen mě něco takového, co udělal Dan pro tu F6.
RII_V34_FYSETC_F6.PNG

Pro Ramps je toho všude mraky, pro tuhle desku nemůžu najít nic.
  • 0

Rebel II LE (Lopez Edition = kříženec v33 a II.b + tuning) (Marlin) - domácí, Rebel II v27 - ex.
1x Rebel II JRC HD (Marlin) - pracovní, 3x 3DS Cube 3 - pracovní, 1x 3DS CubePro Duo - pracovní
Pepe_Lopez
 
Příspěvky: 240
Registrován: 25.05.2014 23:07
Bydliště: kousek od Žatce
Reputation: 0


Zpět na ELEKTRONIKA

Kdo je online

Uživatelé procházející toto fórum: Žádní registrovaní uživatelé a 5 návštevníků