Druhý ventilátor přes RRD fan extender (ofuk)

Druhý ventilátor přes RRD fan extender (ofuk)

Příspěvekod radekzl » 09.04.2015 18:16

Ahojte,
pořídil jsem si modul RRD fan extender na druhý ventilátor, který mi bude chladit tištěnou součást. Myslel jsem si, že to bude jednodušší to zprovoznit, ale opak je pravdou. Zapojil jsem to podle tohohle obrázku Obrázek

našel jsem i menší návod tady:

http://blog.3draty.cz/rizeni-vetraku-pr ... -tiskarny/

Ale úplně jsem se ztratil při té úpravě firmwaru? To jsem nějak vůbec nepobral. Chtěl bych si nechat chlazení hotendu, tak jak mám originál zapojený ze stavebnice JRC. Proto jsem v programu Arduino začal upravovat firmware v záložce pins.h jsem chtěl změnit pro větráček ofuku:
repetier firmware – pins.h
#define ORIG_FAN_PIN 11

Ale netuším jestli přepsat všechny hodnoty #define ORIG_FAN_PIN na #define ORIG_FAN_PIN 11 a nebo jen některé.
Proto bych se rád obrátil na Vás zkušenější, jestli máte s tím nějaké zkušenosti? Nebo jestli máte lepší řešení jak zapojit druhý větráček ofuku? Prosím pokud by to šlo, tak mi i nafoťte zapojení v tiskárně, případně pošlete printscreen obrazovky, co, kde, jak upravit.

Děkuju mockrát za Vaše rady.

Radek
  • 0

radekzl
 
Příspěvky: 40
Registrován: 24.03.2015 16:45
Reputation: 0

Re: Druhý ventilátor přes RRD fan extender (ofuk)

Příspěvekod radekzl » 10.04.2015 16:58

Tak už jsem to vyřešil, sice úplnou náhodou a s velkou dávkou štěstí. Jelikož programovaní firmwaru 3D tiskárny nerozumím, ale metodou pokus omyl se to povedlo. Kdyby jste měli zájem, můžu Vám napsat velmi amatérský návod, jak na to. Popsal bych co kde změnit ve firmwaru, ale nedokážu Vám vysvětlit proč. Dodal bych i fotky zapojení a po otestování i model celého ofuku.
  • 0

radekzl
 
Příspěvky: 40
Registrován: 24.03.2015 16:45
Reputation: 0

Re: Druhý ventilátor přes RRD fan extender (ofuk)

Příspěvekod Rebel » 10.04.2015 18:22

Urcite to sem nahazej. Treba to nekomu helpne a a kdyztak se ucese :)
  • 0

Dan - Rebel ? ;) - http://rebelove.org - Nevyzkoušíš = nevíš - Rebel I-III, Rebel sCUBE, Anycubic i3 MEGA, Anycubic - Kossel Mini, MeCretor2-upravený, Anycubic Photon, RR1, RR400M ! Pro STL přílohy použij čudlík "UMÍSTIT DO PŘÍSPĚVKU" !
Rebel
 
Příspěvky: 3896
Images: 243
Registrován: 12.08.2013 11:44
Bydliště: HK.......není Hong Kong :D
Reputation: 108
Zasloužil bys asi medajli :) Nebo jsi admin :D

Re: Druhý ventilátor přes RRD fan extender (ofuk)

Příspěvekod Pezantros » 03.05.2015 18:46

Ahoj, taky jsem o víkendu řešil chlazení výtisku a taky jsem ho chtěl mít řízené. Nechtělo se mi ale objednávat a čekat, než mi výše uvedený modul přijde :) . Navíc se mi na tom modulu nelíbí, že zabere všechny pozice na serva.
Našel jsem schema zapojení na http://www.thingiverse.com/thing:22202 a rozhodl jsem se ho postavit. Dále se pokusím popsat komplet stavbu až po oživení:

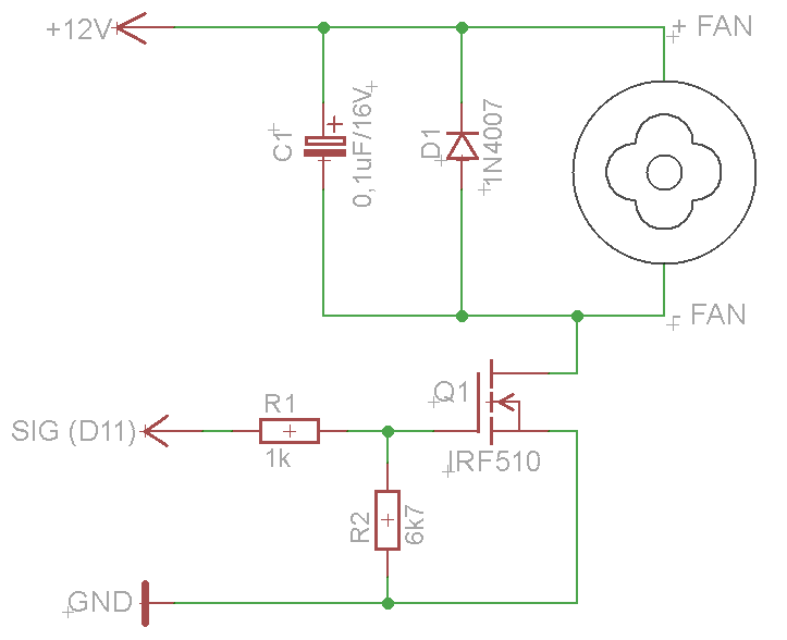
1) Stavba spínače: Lehce jsem změnil součástky spínače podle šuplíkových zásob. Oproti původnímu zapojení jsem změnil diodu 1N4001 na 1N4007. Obě jsou na stejný proud, pouze mnou použitá je na vyšší napětí, což nevadí. Druhou změnou je použití MOSFETu IRF510 místo IRF540. V podstatě jsou stejné, mnou použitý je na nižší proud 5,6A, což je pro ventilátor více než dost :) . Veškeré změny, popisy součástek a propojení s Ramps najdete na přiložených obrázcích. Jen poznámka ke kondenzátoru, na obrázku mám uvedeno 0,1uF/16V. Těch 16V je minimum. Větší je lepší :D .

2) Nastavení firmwaru: Používám firmware "Repetier_RII_91_V8_full_GLCD" stažený od JRC a elektroniku Arduino MEGA 2560 s RAMPS 1.4, a tak se úpravy týkají pouze tohoto firmwaru a hardwaru, jinou kombinaci jsem nezkoušel. Firmware otevřete v Arduino IDE a proveďte:
a) na kartě pins.h je třeba přiřadit PWM výstup arduina na vybraný pin. V mém případě je to pin D11, viz obrázek RAMPSu níže. Pokud tam máte už servo na leveling, můžete vybrat D6, D5 nebo D4. Já si vybral pin D11, takže na řádku 352 mám: #define ORIG_FAN_PIN 11
b) na kartě Configuration.h je třeba na řádku 310 změnit #define FEATURE_FAN_CONTROL 0 na #define FEATURE_FAN_CONTROL 1
c) Nahrejte firmware do Arduina

Poznámka: FEATURE_FAN_CONTROL 1 umožňuje softwaru Repetier Host ovládat ventilátor. Způsob ovládání se nastavuje na kartě Fillament Settings/Cooling. Ovládání ventilátoru je možné také přes LCD tiskárny. Doporučuju si nejprve zkontrolovat, od kolika procent se začne ventilátor otáčet. Repetier Host má v defaultu 35% jako minimum. No můj větrák se roztočí až při 45%.

Poznámka II: Měl jsem dotaz na ovlivnění funkce chlazení extruderu, odpověď zde: Funkce ventilátoru na D9 pro chlazení extruderu zůstává beze změny stejná, takže extruder je chlazen od 50°C, jako původně. Původní hodnota ORIG_FAN_PIN 9 v pins.h je ve firmware od JRC zavádějící. Pro chlazení extruderu je v tomto firmware použito ovládání heateru pro druhý extruder, viz v pins.h řádek 357, kde je #define HEATER_2_PIN 9 a s tím související řádek 92 v Configuration.h, kde je #define EXT0_EXTRUDER_COOLER_PIN HEATER_2_PIN.

Spínač jsem postavil a i s nastavením firmware vše běhá na první dobrou. Protože nejsem elektrikář, berte tento návod jako inspiraci. Za případné škody neručím :) .
  • 0

Přílohy
Spínač_ventilátoru_schema.PNG
Spínač_ventilátoru-schema
Spínač_ventilátoru_schema.PNG (13.04 KiB) Zobrazeno 30935 krát
2015-05-03 12.54.10.jpg
Spínač_ventilátoru-strana_spojů
2015-05-03 12.54.10.jpg (1.72 MiB) Zobrazeno 30971 krát
2015-05-03 12.53.53.jpg
Spínač_ventilátoru-strana_součástek
2015-05-03 12.53.53.jpg (1.64 MiB) Zobrazeno 30971 krát
Spínač_ventilátoru.png
Spínač_ventilátoru
Spínač_ventilátoru.png (371.45 KiB) Zobrazeno 31666 krát
Ramps_1.4_part_Servos.PNG
Ramps_1.4_part_Servos
Ramps_1.4_part_Servos.PNG (99.28 KiB) Zobrazeno 31666 krát
Pezantros
 
Příspěvky: 200
Registrován: 19.04.2015 12:22
Reputation: 0

Re: Druhý ventilátor přes RRD fan extender (ofuk)

Příspěvekod cucpo » 21.02.2016 12:34

Pani pls potreboval by som poradit kupil som ten extender na 2 ventilatory, mam marlina vo verzii od zahradnika cize ventilator na hotende ide stale, chcel by som sa dostat do stavu ze sa rozbehne len ked je teplota hotendu vecsia ako 50 stupnov kedze hotend mam celokov ale som z toho uplny pako co mam vlastne zmenit v tom pin.h subore ???
  • 0

cucpo
 
Příspěvky: 55
Registrován: 23.05.2015 14:55
Reputation: 0

Re: Druhý ventilátor přes RRD fan extender (ofuk)

Příspěvekod astalavista » 24.03.2016 09:37

S Marlinem umím poradit....
  • 0

astalavista
 
Příspěvky: 11
Registrován: 08.02.2016 20:02
Reputation: 0

Re: Druhý ventilátor přes RRD fan extender (ofuk)

Příspěvekod Rebel » 24.03.2016 10:09

To jsi sikovny ...... a proc teda neporadis ?
  • 0

Dan - Rebel ? ;) - http://rebelove.org - Nevyzkoušíš = nevíš - Rebel I-III, Rebel sCUBE, Anycubic i3 MEGA, Anycubic - Kossel Mini, MeCretor2-upravený, Anycubic Photon, RR1, RR400M ! Pro STL přílohy použij čudlík "UMÍSTIT DO PŘÍSPĚVKU" !
Rebel
 
Příspěvky: 3896
Images: 243
Registrován: 12.08.2013 11:44
Bydliště: HK.......není Hong Kong :D
Reputation: 108
Zasloužil bys asi medajli :) Nebo jsi admin :D

Re: Druhý ventilátor přes RRD fan extender (ofuk)

Příspěvekod Korny » 24.03.2016 10:11

Delal jsem to na predchozi tiskarne. Vecer mrknu do config a muzu postnout.

Odesláno z mého GT-I9505 pomocí Tapatalk
  • 0

Korny
 
Příspěvky: 49
Registrován: 25.01.2015 17:19
Bydliště: Olomouc
Reputation: 0

Re: Druhý ventilátor přes RRD fan extender (ofuk)

Příspěvekod Rebel » 24.03.2016 10:14

Sice je ten dotaz mesic starej, ale klidne postni, pomuze to treba nekomu dalsimu :)
  • 0

Dan - Rebel ? ;) - http://rebelove.org - Nevyzkoušíš = nevíš - Rebel I-III, Rebel sCUBE, Anycubic i3 MEGA, Anycubic - Kossel Mini, MeCretor2-upravený, Anycubic Photon, RR1, RR400M ! Pro STL přílohy použij čudlík "UMÍSTIT DO PŘÍSPĚVKU" !
Rebel
 
Příspěvky: 3896
Images: 243
Registrován: 12.08.2013 11:44
Bydliště: HK.......není Hong Kong :D
Reputation: 108
Zasloužil bys asi medajli :) Nebo jsi admin :D

Re: Druhý ventilátor přes RRD fan extender (ofuk)

Příspěvekod cucpo » 24.03.2016 17:01

Pomoze jasne pretoze som sa k rieseniu na Marlin akosi nedostal , nebol cas
  • 0

cucpo
 
Příspěvky: 55
Registrován: 23.05.2015 14:55
Reputation: 0

Re: Druhý ventilátor přes RRD fan extender (ofuk)

Příspěvekod astalavista » 24.03.2016 19:28

cucpo píše:Pomoze jasne pretoze som sa k rieseniu na Marlin akosi nedostal , nebol cas


máš verzi Marlin 1.0.2 ?
  • 0

astalavista
 
Příspěvky: 11
Registrován: 08.02.2016 20:02
Reputation: 0

Re: Druhý ventilátor přes RRD fan extender (ofuk)

Příspěvekod astalavista » 24.03.2016 19:37

v každém případě na Marlinovi je to řešené v souboru Configuration_adv.h . řádek 78 je #define EXTRUDER_0_AUTO_FAN_PIN -1 stačí zde změnit na #define EXTRUDER_0_AUTO_FAN_PIN 11 a ventilátor přes RRD Fan Extender bude řízen teplotou hotendu. V Pins není třeba dělat žádné zásahy. Pokud budete potřebovat, soubor pins vám upravím dle vašeho přání. Já mám standardně na výstupu rampy D10 topení HotEndu na D9 ventilátor ofuku výtisku řízený Slic3rem (např. po vytisknutí první vrstvy pro PLA) a na D8 topeni HotBedu.
  • 0

astalavista
 
Příspěvky: 11
Registrován: 08.02.2016 20:02
Reputation: 0

Re: Druhý ventilátor přes RRD fan extender (ofuk)

Příspěvekod astalavista » 24.03.2016 19:38

Rebel píše:To jsi sikovny ...... a proc teda neporadis ?


netušil jsem , zda bude zájem :D ...... jinak Marlina mám zmáknutýho :roll:
  • 0

astalavista
 
Příspěvky: 11
Registrován: 08.02.2016 20:02
Reputation: 0

Re: Druhý ventilátor přes RRD fan extender (ofuk)

Příspěvekod Rebel » 25.03.2016 01:56

Jelikoz Zahradnik dodava v arduinu Marlina, tak jo :D Ale to samozrejme nemusis vedet :)
  • 0

Dan - Rebel ? ;) - http://rebelove.org - Nevyzkoušíš = nevíš - Rebel I-III, Rebel sCUBE, Anycubic i3 MEGA, Anycubic - Kossel Mini, MeCretor2-upravený, Anycubic Photon, RR1, RR400M ! Pro STL přílohy použij čudlík "UMÍSTIT DO PŘÍSPĚVKU" !
Rebel
 
Příspěvky: 3896
Images: 243
Registrován: 12.08.2013 11:44
Bydliště: HK.......není Hong Kong :D
Reputation: 108
Zasloužil bys asi medajli :) Nebo jsi admin :D

Re: Druhý ventilátor přes RRD fan extender (ofuk)

Příspěvekod Korny » 25.03.2016 12:47

astalavista píše:v každém případě na Marlinovi je to řešené v souboru Configuration_adv.h . řádek 78 je #define EXTRUDER_0_AUTO_FAN_PIN -1 stačí zde změnit na #define EXTRUDER_0_AUTO_FAN_PIN 11 a ventilátor přes RRD Fan Extender bude řízen teplotou hotendu. V Pins není třeba dělat žádné zásahy. Pokud budete potřebovat, soubor pins vám upravím dle vašeho přání. Já mám standardně na výstupu rampy D10 topení HotEndu na D9 ventilátor ofuku výtisku řízený Slic3rem (např. po vytisknutí první vrstvy pro PLA) a na D8 topeni HotBedu.

Spravne, je to tento radek, ale ja jsem jej mel nastaveny na pin 4. Asi je potreba vyzkouset. Tehdy jsem prochazel cele schema, nez jsem to nasel.

Odesláno z mého GT-I9505 pomocí Tapatalk
  • 0

Korny
 
Příspěvky: 49
Registrován: 25.01.2015 17:19
Bydliště: Olomouc
Reputation: 0

Další

Zpět na REBEL II

Kdo je online

Uživatelé procházející toto fórum: Žádní registrovaní uživatelé a 4 návštevníků

cron