REBEL II - V34 - "POOOMALU PŘICHÁZÍ" :D

REBEL II - V34 - "POOOMALU PŘICHÁZÍ" :D

Příspěvekod Rebel » 10.03.2020 13:19

RII_V34.PNG
RII_V34.PNG (62.91 KiB) Zobrazeno 25640 krát

Základní specifikace:

- Využitelný tiskový prostor 210x210x210 (XYZ)
- Hotend RebelMOD V4 či E3D kompatibilní
- Rám z profilů Al kombi stojka 30x30mm, rozměry ..........
- Vodící tyče 8mm, ideálně indukčně kalené broušené, rozměry ..........
- Posuv Z - 2x trapéz 6x4 mm
- Ložiseka LM8UU a 623 ZZ na přítlak filamentu, popřípadě do tištěných řemenic
- Řemenice GT2 16z
- Volné řemenice ze 4ks ložisek F623ZZ
- Kroková motory 5ks NEMA17 5-17HS15-1504S-X1 či parametrově kompatibilní
- Nějaký ten spojovací materiál
- FYSETC F6
- FW MARLIN s funkcí autolevelingu, kontaktní detekce filamentu a "Z Steppers Auto-Alignment" (místo Z endstopu použit indukční senzor)

Základní rozdíly proti předchozím verzím:

- nepatrně větší tiskový prostor za použití minimálních nákladů
- rozteč X tyčí 45mm (původně 50mm)
- holder hodendu kompatibilní s E3D
- Z endstop/y nafrazeny indukční sondou v součinnosti s funkcemi FW
- drobné optimalizace většiny ostatních tištěných dílů
- malinko více zdokumentováné zapojení elektroniky spolu s příslušným FW
- implementace náhrady krokových motorů Microcon
- toť asi to nejpodstatnější ................

3D PDF:
Rebel_II_v34_3D.pdf
(4.28 MiB) 1591 krát

Rozměry konstrukčních dílů:

X profily 3x 340mm
Y profily 2x 320mm
Z profily 2x 340mm

X vodící tyče 2x 310mm
Y vodící tyče 2x 365mm
Z vodící tyče 2x 330mm

STL: KOMPLETUJI https://drive.google.com/drive/folders/ ... sp=sharing

CubifyDesign SRC:

Firmware: TESTUJI
Marlin_RII_V34.zip
(8.47 MiB) 1008 krát


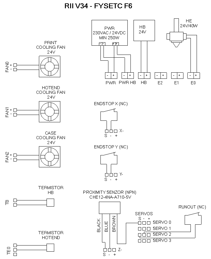
Zapojení:
RII_V34_FYSETC_F6.PNG


Rozmístění Y a Z:
Rebel_II_v34-montyz.pdf
(88.21 KiB) 1223 krát


Start g-code Slic3r:
Kód: Vybrat vše
M107
M140 S[first_layer_bed_temperature] ; set bed temp
M190 S[first_layer_bed_temperature] ; wait for bed temp
M104 S180 ; set HE leveling temp
M109 S180 ; wait for HE leveling temp
G34 ; Z Steppers Auto-Alignment
G29 ; Autoleveling
G1 Z0
M109 S[first_layer_temperature] ; wait for extruder temp
M900 K0
  • 0

Dan - Rebel ? ;) - http://rebelove.org - Nevyzkoušíš = nevíš - Rebel I-III, Rebel sCUBE, Anycubic i3 MEGA, Anycubic - Kossel Mini, MeCretor2-upravený, Anycubic Photon, RR1, RR400M ! Pro STL přílohy použij čudlík "UMÍSTIT DO PŘÍSPĚVKU" !
Rebel
 
Příspěvky: 3896
Images: 243
Registrován: 12.08.2013 11:44
Bydliště: HK.......není Hong Kong :D
Reputation: 108
Zasloužil bys asi medajli :) Nebo jsi admin :D

Zpět na REBEL II

Kdo je online

Uživatelé procházející toto fórum: Žádní registrovaní uživatelé a 3 návštevníků